VCS734系列是一款開環霍爾電流傳感芯片,其具有高精度、 高帶寬、快速響應、高線性度、低溫度漂移等優點。VCS734提供 0~ 150A 電流檢測范圍。VCS734為高性能電流傳感器領域 提供了新的解決方案。VCS734內部采用差分霍爾結構,有效 抑制外部雜散磁場。
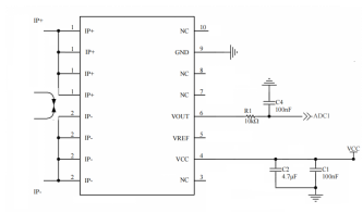
SOP-16封裝便于實現通過銅傳導路徑流動的電流產生磁場,該磁場由IC感應并轉換為比例電壓。電流以差分方式感應,以消除外部共模場。通過磁場與霍爾傳感器的緊密接近,優化了器件的準確性。
VCS734適用汽車工業、商業和通信系統。它們可用于電機控制、負載檢測和管理、開關模式電源和過電流故障保護應用。

? 隔離測量,隔離耐壓5000Vrms
? 可以測0~150A交直流電流
? 5V/3.3V供電選擇
? SOP-16兼容封裝
? 極低的電流導線阻抗:0.27mΩ
? 接近為0的零點電壓磁滯
? 低至1.2us的響應時間
? 寬工作溫區:-40~125°C
? 典型零點溫漂:±2mV
? 典型靈敏度溫漂:±0.2%
? 典型線性度誤差:±0.05%
? 典型帶寬:250kHz
? 差分霍爾有效地抵抗外部磁場干擾
? 支持波峰焊全自動貼片,卷帶包裝
? 不受電線磁場,外磁場,地磁場的干擾
? 100%國產化
型號 | 溫度范圍 | 檢測電流 | 靈敏度 (mV/A) | 零點輸出(V) | 額定輸出(V) | 特征碼 | 基準電壓(V) |
VCS734I-050E5D | (-40~125℃) | ±50 | 40 | E(2.5) | 2 | D-差分模式 | 2.5 |
VCS734I-080E5D | ±80 | 25 | |||||
VCS734I-100E5D | ±100 | 20 | |||||
VCS734I-150E5D | ±150 | 13.33 | |||||
VCS734I-050E3D | ±50 | 26.4 | E(1.65) | 1.32 | D-差分模式 | 1.65 | |
VCS734I-080E3D | ±80 | 16.5 | |||||
VCS734I-100E3D | ±100 | 13.2 | |||||
VCS734I-150E3D | ±150 | 8.8 | |||||
備注:可提供-55~125℃(VCS734J)產品,更多訂貨型號,請于韋克威技術人員聯系 | |||||||