產品特點:安裝方便、體積小,節省空間、抗干擾能力強
應用領域:
直流電機驅動靜態轉換器
通訊電源
不間斷電源 (UPS)
開關電源
電焊機
型 號 | WCSO2A-XXXA | ||||
額定測量電流 | 200A | 300A | 500A | 800A | 900A |
測量范圍 | 220A | 330A | 550A | 880A | 900A |
額定輸出電壓 | 1/2Vc±2.0V | ||||
零點失調電壓 | 1/2Vc±15mV | ||||
電源電壓 | +5VDC(± 5%) | ||||
負載電阻 | ≥10KΩ | ||||
線 性 度 | ≤0.5%FS | ||||
總體精度 | ±1%FS | ||||
零點失調電壓溫漂 | ±0.1mV/℃ | ||||
幅度電壓溫度漂移 | ≤0.03%/℃ | ||||
靜態電流消耗 | ≤20mA | ||||
響應時間 | <7us | ||||
頻帶寬度 | DC~50KHz | ||||
di/dt跟隨精度 | >50A/us | ||||
絕緣耐壓 | 50Hz,1min,2.5KV | ||||
工作環境溫度 | -40~+125℃ | ||||
儲存環境溫度 | -40~+125℃ | ||||
質 量 | ≈16g | ||||
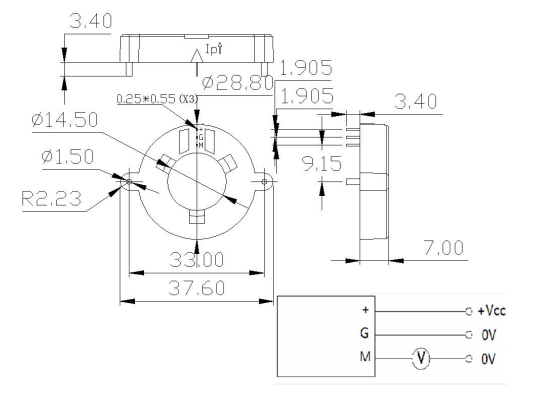
機械特性Mechanicalcharacteristics:
一般公差General tolerance:士0.5 m
其它公差執行Other toleranceexecution:GB/T 1804-2000-M
固定針尺寸Fixing hole size:φ1,5mm(×2)
連接器Connection of secondary:0.25mm×0.55mm(×3)
建議焊接溫度Recommended wave soldering temperature:265℃±5℃

WCS02A規格書 PCB 安裝內徑14.5 穿孔 焊接.pdf